Modernes Gewerbeareal, über 5.000m² Büro- & Lagerhallenfläche - Retz

Halle / Lager / Produktion , 2070 Retz


Industriegebiet Retz

Beschreibung der Immobilie

Modernes Gewerbeareal, über 5.000m² Büro- & Lagerhallenfläche - Retz

Modernes Gewerbeareal, ca. 5.075m² Nutzfläche, Bürobereich & Lagerhallen - Retz



Dieses weitläufige Betriebsareal in Retz umfasst mehrere Lager- und Produktionshallen sowie großzügige Büroflächen. Mit einer Gesamtnutzfläche von ca. 5.174 m² bietet das Objekt vielfältige Nutzungsmöglichkeiten für Betriebe, die Wert auf Raumangebot und funktionale Strukturen legen. Die Anlage befindet sich in sehr gutem Zustand und wurde laufend instandgehalten. Das weitläufige Grundstück ermöglicht einen effizienten Betriebsablauf im nördlichen Weinviertel.



Eckdaten



  • Gesamte Nutzfläche:: ca. 5.075 m²
  • Grundstück: ca. 14.716 m²
  • Büroräume, Lagerhallen, Grünfläche
  • Heizung: Gaszentralheizung
  • PV-Anlagen, Modulfläche: ca. 512m²
  • Parken: Parkplätze auf dem Betriebsgrundstück
  • Beziehbar: ab sofort
  • Widmung: Bauland-Betriebsgebiet








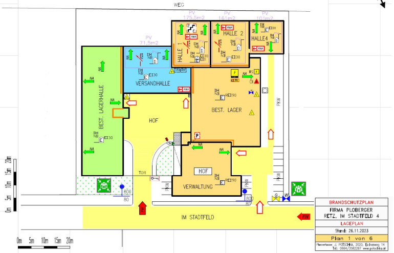
Gebäudebeschreibung entsprechend dem beiliegenden Plan



  • Lagerhalle 1 mit ca. 1.258,74 m², Baujahr 1985, beheizt
  • Versandhalle 2 mit ca. 590,95 m², Baujahr 2012, zwei LKW-Andockstationen, PV-Anlage, beheizt
  • Stahlhalle 3 mit ca. 1.284,82 m², Baujahr 1995, Umbau 2002, Büroeinbau 2022 (53m²), unbeheizt
  • Doppelhalle 4 mit ca. 460,83 m², Baujahr 2004, beheizt, PV-Anlage, beheizt
  • Doppelhalle 5 mit ca. 460,83 m², Baujahr 2004, unbeheizt, PV-Anlage, unbeheizt
  • Lagerhalle 6 mit ca. 283,14 m², Baujahr 2009, unbeheizt, PV-Anlage, unbeheizt
  • Bürotrakt mit ca. 740 m², Baujahr 1995, 2006 saniert, 2019-2023 kleinere Sanierungen, bestehend aus Eingang, Foyer mit Theke, Küche, WC-Anlagen (Damen/Herren), großem Bürobereich mit Bodentechnik, Innenhof und mehreren Büroräumen, Fußbodenheizung
  • Büro- und Nebenräume in Halle 1: Seminarraum (beheizt), Foyer, Küche, WC Anlagen Damen/Herren, Serverraum, Personalraum, Heizraum, Lagerräume


Außenbereich



  • Asphaltierte Zufahrt/Rangierfläche für LKW's inkl. Abstellmöglichkeiten
  • Parkplätze auf dem Grundstück 
  • Grünfläche neben der Stahlhalle


Ausstattung & Komfort:



  • Büroeinbau von 2022 mit Klimaanlage in Stahlhalle
  • Gaszentralheizung
  • Bodentechnik in den Bürobereichen & Schulungsraum
  • Sanitäreinrichtungen für Damen und Herren
  • Mehrere Küchenbereiche


Lage & Infrastruktur:



Das Betriebsobjekt befindet sich in Retz im nördlichen Weinviertel, einer Region, die für ihre Weingärten und die gut ausgebaute Infrastruktur bekannt ist. Die Nähe zu den Ortszentren und zu regionalen Gewerbetreibenden unterstützt vielfältige betriebliche Nutzungsmöglichkeiten. Über die S3 sowie die Bahnverbindung ist Wien in rund einer Stunde erreichbar. Die Umgebung bietet ein funktionales Umfeld für Unternehmen, die regionale Vernetzung und gute Erreichbarkeit schätzen.



Netto-Kaufpreis: EUR 4.200.000,00

Provision: 3 % des Kaufpreises zzgl. 20 % USt.



Kontaktieren Sie uns gerne für weitere Informationen oder einen Besichtigungstermin. Wir freuen uns auf Ihre Anfrage!

Eckdaten Objektnr. 6891/305

Art: Halle / Lager / Produktion
Land: Österreich
Zustand: Neuwertig
Möbliert: Teil
Kaufpreis: 4.200.000,00
Provision: 3% des Kaufpreises zzgl. 20% USt.
Nutzfläche: 5.174,00 m²
Grundstücksfl.: 14.716,00 m²
Lagerfläche: 4.339,31 m²
Bürofläche: 834,82 m²
Immobilie merken Exposé

Ausstattung

Parkett, Fliesen, Laminatboden, Gas, Fußbodenheizung, Zentralheizung, Einbauküche, Bad mit Fenster, Dusche, Parkplatz, Rampe


Immobilie anfragen


Ihre persönliche Beratung

ullrich-immo GmbH

Alexander Ullrich

ullrich-immo GmbH

T +43 664 242 20 62

H 0664 2422062